Z6尊龙凯时
网站首页
走进Z6尊龙凯时
辅导致辞
组织架构
公司荣誉
企业简介
企业名录
企业文化
辅导关切
文化纲领
政策律例
主交易务
投融资
开发建设
经营治理
服务城市
新闻资讯
集团动态
直属企业动态
业界资讯
公共自行车
服务布告
站点地图
办卡流程
服务指南
租还步骤
败坏赔偿
租用和谈
有关新闻
党群建设
深刻贯彻中央八项划放心灵进建教育
党群动态
党务公开
员工世界
娱乐活动
进建宣传贯彻党的二十大心灵
“不忘初心,服膺使命”主题教育专栏
人力资源
人才理想
招聘信息
联系Z6尊龙凯时
通知布告
Notice
通知布告
Notice
通知布告
联系Z6尊龙凯时
Contant us
电话:
0431-81960968
传真:
邮箱:
CCCT777@126.com
邮编:
130000
地址:
长春市南溪智融一期1号楼
您当前地点地位:
首页
>>
通知布告
通知布告
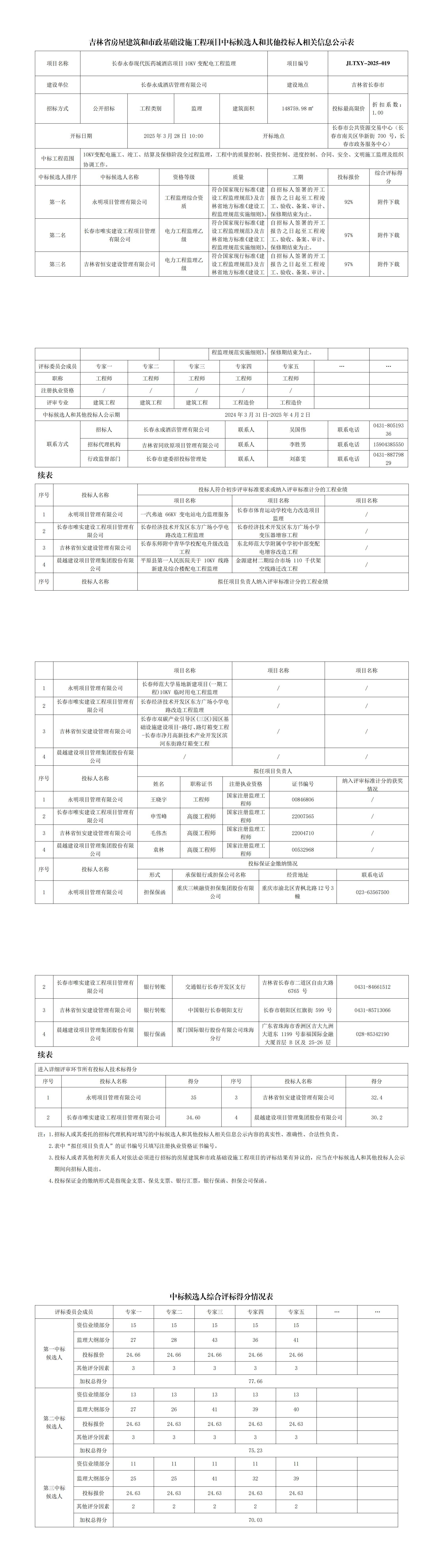
吉林省房屋构筑和市政基础设施工程项目中标候选人和其他投标人有关信息公示表
颁布日期:2025-03-31 作者:长春Z6尊龙凯时 起源:长春Z6尊龙凯时
上一篇:
长春市五大污水处置系统“一厂一策”提质增效工程-串湖及北郊污...
下一篇:
长春永春现代医药城酒店项目第三方造价审核单元招标布告
当局网站链接
长春信息港
长春市城乡建设委员会
吉林省住房和城乡建设厅
吉林省人民当局
长春市当局
战术合作
安然信任公司
中国建设银行吉林省分行
中江国际信任
国投信任有限公司
中原银行
国度开发银行
中国银行
子公司链接
交谊链接
长春机关党建网址
北京Z6尊龙凯时
上海Z6尊龙凯时
南京Z6尊龙凯时
杭州Z6尊龙凯时
武汉Z6尊龙凯时
长春市城市开发(集团)有限公司
吉林省建设信息网
长春信息港
联系Z6尊龙凯时
电话:0431-81960968
邮箱:CCCT777@126.com
地址:长春市南溪智融一期1号楼
Copyright ? 2014Z6尊龙凯时 .All Rights Reserved
吉ICP备13004997号-1
吉公网安备 22017302000182号
【网站地图】